Yaesu FT-817 (FT 817 FT817) user and service manual, modifications

   
 
ham | what is new | links
 Welcome to Www.Hampedia.net  submit to reddit
06 December 2025, 21:44 UTC 


SDR


ELAD
SDRplay

Transceivers


Kenwood
Midland
Yaesu
Alinco
Icom
Other

Antennas


M2
Par
Gap
Sirio
Araki
Maco
Nil-Jon
Maldol
Comet
Hustler
Nagoya
Watson
Hy-Gain
Dressler
Cue Dee
Solarcon
Diamond
Cushcraft
Quicksilver
Moonraker

Power supplies


Powerbox
Kenwood
Diamond
Samlex
Mascot
Daiwa
Yaesu
Alinco
Icom
H&H

Rotators


M2
CDE
Yaesu
Create
Kenpro

Antenna tuners


MFJ
LDG
SGC
Icom
Yaesu
Mizuho
Dentron
Kenwood
Sommerkamp
Barker & Williamson

Repeaters


GME
Icom
Zodiac
Kenwood

Transverters


Microwave Modules
Tokyo Hy-Power
SSB Electronics
Tecnostudi
Kenwood
Yaesu
Minix

Meters


Diamond
Comet
Bird
MFJ

Ham resources


Propagation:
  Sporadic E skip (Es)
  Backscatter
  Tropo
  Meteor Scatter (MS)
  F2 Skip
  Aurora
  Trans-equatorial scatter (TE)
  Lightning scatter (LS)

Yaesu FT-817 (FT 817 FT817)
FT-817
Programming interface schematics for Yaesu: programming interface, Yaesu 4 pin plug
Programming software for Yaesu FT-817 (FT 817 FT817) : 
PDF User Manual for Yaesu FT-817 (FT 817 FT817) : 
PDF Service Manual with schematics for Yaesu FT-817 (FT 817 FT817) : 
Diagrams for Yaesu FT-817 (FT 817 FT817) : Yaesu FT-817 (FT 817 FT817) GIF schematics

Mods for Yaesu FT-817 (FT 817 FT817) :
   Yaesu FT-817 (FT 817 FT817) Servicemenu
   Yaesu FT-817 (FT 817 FT817) --> DYC-817 Modification
   Yaesu FT-817 (FT 817 FT817) Mods for DF4ZS RF SpeechProcessor
   Yaesu FT-817 (FT 817 FT817) and DRM (Digital Radio Mondiale)
   Yaesu FT-817 (FT 817 FT817) transverter switching
   Yaesu FT-817 (FT 817 FT817) DYC-817 and DF4ZS RF SpeechProcessor audio comparison
   Yaesu FT-817 (FT 817 FT817) Adjustment points
   Yaesu FT-817 (FT 817 FT817) Jumpers by Software
   Yaesu FT-817 (FT 817 FT817) charge modification
   Yaesu FT-817 (FT 817 FT817) FM mod improvement (more basses)
   Yaesu FT-817 (FT 817 FT817) Improvement of stock mic
   Yaesu FT-817 (FT 817 FT817) KA7OEI FT-817 page
   Yaesu FT-817 (FT 817 FT817) Mod/Fix
   Yaesu FT-817 (FT 817 FT817) CAT interface
   Yaesu FT-817 (FT 817 FT817) 10 Watts output
   Yaesu FT-817 (FT 817 FT817) Mod. 2 Collins Filter (CW AND SSB)
   Yaesu FT-817 (FT 817 FT817) Et enkelt front løft til
   Yaesu FT-817 (FT 817 FT817) TX frequency / Region setting
   Yaesu FT-817 (FT 817 FT817) RX-LED disconnect
   Yaesu FT-817 (FT 817 FT817) Other Observations/Comments
   Yaesu FT-817 (FT 817 FT817) CW Filter Installation
   Yaesu FT-817 (FT 817 FT817) paddle modification, very useful for CW ops.
   Yaesu FT-817 (FT 817 FT817) HF Clipper fur Einbau in das Handmikrofon
   Yaesu FT-817 (FT 817 FT817) AGC modification
   Yaesu FT-817 (FT 817 FT817) Improvement of the ALC - better modulation and throughput
   Yaesu FT-817 (FT 817 FT817) Improvement of the optional microphone MH-36 E8J with DTMF
   Yaesu FT-817 (FT 817 FT817) Servicepoints
   Yaesu FT-817 (FT 817 FT817) Tips
   Yaesu FT-817 (FT 817 FT817) Hidden menu
   Yaesu FT-817 (FT 817 FT817) Extended TX
   Yaesu FT-817 (FT 817 FT817) Battery mod

Yaesu FT-817 (FT 817 FT817) technical specifications : Yaesu FT-817 (FT 817 FT817) technical specifications



Yaesu FT-817 (FT 817 FT817) charge modification

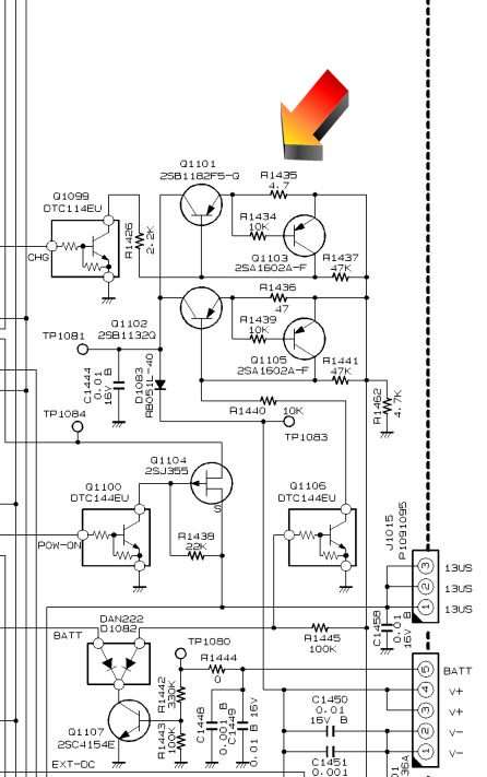
The FT-817 has the capability to charge a battery of about 1000mAh. Unfortunately larger batteries can not be charged overnight. The only thing you can do is pressing the charge button for a second time to get the full capacity in your battery.

I did not really like this, so I took a peek at the charging circuit, and found it should be easy to charge at a greater current.

The initial charging current is now about 180 mA, and could easily be doubled for charging a 2000mAh NiMH battery.

Before you start with the modification, REMOVE THE BATTERY!!!!

Or else you will blow this fuse!

This small fuse (near the battery-leads) is a 3A smd fuse or a 0 Ohm smd resistor.

So if our battery does not work, check this fuse.

Note that it does not seem to be in the schematics.

The 2SB1182 is the transistor that takes care of switching on/off charging, R1435 4.7Ohm, limits the current that can flow to the battery. If the value is lowered by putting a resistor parallel, you can charge a bigger battery in the same time.

I used to have a 1600 mAh battery which I charged in 10 hours with a 10 ohms resistor parallel to R1435, lately I got a 2200 mAh battery so I had to lower the resistance even more. Now I use a 4.7 ohms resistor parallel to R1435, and it seems that 8 hours is enough to charge this battery.

The modification:

Open the top cover by removing these 7 screws.

Remove the cover carefully and disconnect the speakerwires.

It works best if you also remove the bottom cower by removing these 9 screws. Be careful with the battery compartment lock!

Remove the bottom cover and this little plastic part and the springs, so you will not loose this or the springs.

Disconnect the four cables from the front and RF/amplifier unit. The cable from the front can not be just pulled out of the connector, you have to lift the brown "lock" be careful, do not break the hinges.

Now you can remove the 5 screws that hold the PCB and then you can lift the PCB out of the housing.

The battery wire has to be pulled trough a hole so be careful!

Turn the PCB upside-down and locate the 4.7 Ohm Resistor.

Solder a resistor parallel to this one to increase the current.

Be careful to keep the resistor away from the hole on the right, your resistor could easily touch the housing of the FT-817.

Since the 4.7 ohm resistor is used for 1000mAh, you can easily calculate the new value for your battery.

4.7 for 1000

4.7+15 // = 3.6 for 1300

4.7+10 // = 3.2 for 1500

4.7+8.2 // = 3 for 1600

4.7+6.8 // = 2.8 for 1700

4.7+4.7 // = 2.35 for 2000

You can change the charge-time to make sure your battery gets fully charged.

Assemble your 817, be careful with the 3-pin connector when you put the board back in.

I made this mod a few times without problems, even 4.7 // to 4.7 ohms worked well, please don’t blame me if you mess up your FT-817.

Taking information from these pages for display elsewhere without notice is not permitted!

Any updates should appear on the website of my radiogroup PI4FRG in the section hobbyclub.


More Yaesu Radioamateur Transceivers

Yaesu VHF/UHF Handhelds:
    Yaesu FT-10R (FT 10 R FT10R) service manual and specs
    Yaesu FT-11R (FT 11 R FT11R) service manual and specs
    Yaesu FT-23R (FT 23 R FT23R) service manual and specs
    Yaesu FT-26 (FT 26 FT26) service manual and specs
    Yaesu FT-33R (FT 33 R FT33R) service manual and specs
    Yaesu FT-40R (FT 40 R FT40R) service manual and specs
    Yaesu FT-41R (FT 41 R FT41R) service manual and specs
    Yaesu FT-50R (FT 50 R FT50R) service manual and specs
    Yaesu FT-51R (FT 51 R FT51R) service manual and specs
    Yaesu FT-73R (FT 73 R FT73R) service manual and specs
    Yaesu FT-76 (FT 76 FT76) service manual and specs
    Yaesu FT-104 (FT 104 FT104) service manual and specs
    Yaesu FT-202R (FT 202 R FT202R) service manual and specs
    Yaesu FT-203R (FT 203 R FT203R) service manual and specs
    Yaesu FT-207R (FT 207 R FT207R) service manual and specs
    Yaesu FT-208R (FT 208 R FT208R) service manual and specs
    Yaesu FT-209R (FT 209 R FT209R) service manual and specs
    Yaesu FT-209RH (FT 209 RH FT209RH) service manual and specs
    Yaesu FT-290R (FT 290 R FT290R) service manual and specs
    Yaesu FT-290R II (FT 290 RII FT290RII) service manual and specs
    Yaesu FT-404R (FT 404 R FT404R) service manual and specs
    Yaesu FT-411MKII (FT 411 MKII FT411MKII) service manual and specs
    Yaesu FT-411R (FT 411 R FT411R) service manual and specs
    Yaesu FT-415 (FT 415 FT415) service manual and specs
    Yaesu FT-416 (FT 416 FT416) service manual and specs
    Yaesu FT-470 (FT 470 FT470) service manual and specs
    Yaesu FT-530 (FT 530 FT530) service manual and specs
    Yaesu FT-690R (FT 690 R FT690R) service manual and specs
    Yaesu FT-690R II (FT 690 RII FT690RII) service manual and specs
    Yaesu FT-703R (FT 703 R FT 703R) service manual and specs
    Yaesu FT-708R (FT 708 R FT 708R) service manual and specs
    Yaesu FT-709R (FT 709 R FT 709R) service manual and specs
    Yaesu FT-727R (FT 727 R FT727R) service manual and specs
    Yaesu FT-790R (FT 790 R FT790R) service manual and specs
    Yaesu FT-790R II (FT 790 R II FT790RII) service manual and specs
    Yaesu FT-811 (FT 811 FT811) service manual and specs
    Yaesu FT-815 (FT 815 FT815) service manual and specs
    Yaesu FT-816 (FT 816 FT816) service manual and specs
    Yaesu FT-817 (FT 817 FT817) service manual and specs
    Yaesu FT-817ND (FT 817 ND FT817ND) service manual and specs
    Yaesu FT-911 (FT 911 FT911) service manual and specs
    Yaesu FT-2303 R (FT 2303 R FT2303R) service manual and specs
    Yaesu VX-1 R (VX 1 R VX1R) service manual and specs
    Yaesu VX-2 R (VX 2 R VX2R) service manual and specs
    Yaesu VX-5 R (VX 5 R VX5R) service manual and specs
    Yaesu VX-7 R (VX 7 R VX7R) service manual and specs
    Yaesu FT-60R (FT 60 R FT60R) service manual and specs
    Yaesu VX-6 R (VX 6 R VX6R) service manual and specs
    Yaesu VX-110 (VX 110 VX110) service manual and specs
    Yaesu VX-150 (VX 150 VX150) service manual and specs
    Yaesu VX-120 (VX 120 VX120) service manual and specs
    Yaesu VX-170 (VX 170 VX170) service manual and specs
    Yaesu VX-3R (VX 3 R VX3R) service manual and specs
    Yaesu FT-1DR (FT 1 DR FT1DR) service manual and specs
    Yaesu FT-1DE (FT 1 DE FT1DE) service manual and specs
    Yaesu VX-8R (VX 8 R VX8R) service manual and specs
    Yaesu VX-8DR (VX 8 DR VX8DR) service manual and specs
    Yaesu VX-8GR (VX 8 GR VX8GR) service manual and specs
    Yaesu FT-252 (FT 252 FT252) service manual and specs
    Yaesu FT-257 (FT 257 FT257) service manual and specs
    Yaesu FT-250R (FT 250 R FT250R) service manual and specs

Yaesu VHF/UHF Mobile Transceivers:
    Yaesu CPU-2500R (CPU 2500R CPU2500R) service manual and specs
    Yaesu FT-2F (FT 2F FT2F) service manual and specs
    Yaesu FT-90R (FT 90R FT90R) service manual and specs
    Yaesu FT-211RH (FT 211RH FT211RH) service manual and specs
    Yaesu FT-212RH (FT 212RH FT212RH) service manual and specs
    Yaesu FT-215 (FT 215 FT215) service manual and specs
    Yaesu FT-224 (FT 224 FT224) service manual and specs
    Yaesu FT-227R (FT 227R FT227R) service manual and specs
    Yaesu FT-230R (FT 230R FT230R) service manual and specs
    Yaesu FT-270R (FT 270R FT270R) service manual and specs
    Yaesu FT-270RH (FT 270RH FT270RH) service manual and specs
    Yaesu FT-277R (FT 277R FT277R) service manual and specs
    Yaesu FT-480R (FT 480R FT480R) service manual and specs
    Yaesu FT-680R (FT 680R FT680R) service manual and specs
    Yaesu FT-711RH (FT 711RH FT711RH) service manual and specs
    Yaesu FT-712RH (FT 712RH FT712RH) service manual and specs
    Yaesu FT-715H (FT 715H FT715H) service manual and specs
    Yaesu FT-720R (FT 720R FT720R) service manual and specs
    Yaesu FT-730R (FT 730R FT730R) service manual and specs
    Yaesu FT-770RH (FT 770RH FT770RH) service manual and specs
    Yaesu FT-780R (FT 780R FT780R) service manual and specs
    Yaesu FT-912R (FT 912R FT912R) service manual and specs
    Yaesu FT-1500M (FT 1500M FT1500M) service manual and specs
    Yaesu FT-1802 (FT 1802 FT1802) service manual and specs
    Yaesu FT-2200 (FT 2200 FT2200) service manual and specs
    Yaesu FT-2311R (FT 2311R FT2311R) service manual and specs
    Yaesu FT-2312R (FT 2312R FT2312R) service manual and specs
    Yaesu FT-2400 (FT 2400 FT2400) service manual and specs
    Yaesu FT-2500M (FT 2500 M FT2500M) service manual and specs
    Yaesu FT-2600M (FT 2600 M FT2600M) service manual and specs
    Yaesu FT-2700R (FT 2700 R FT2700R) service manual and specs
    Yaesu FT-2700RH (FT 2700 RH FT2700RH) service manual and specs
    Yaesu FT-2800M (FT 2800 M FT2800M) service manual and specs
    Yaesu FT-3000M (FT 3000 M FT3000M) service manual and specs
    Yaesu FT-3700 (FT 3700 FT3700) service manual and specs
    Yaesu FT-3800 (FT 3800 FT3800) service manual and specs
    Yaesu FT-3900 (FT 3900 FT3900) service manual and specs
    Yaesu FT-4700RH (FT 4700 RH FT4700RH) service manual and specs
    Yaesu FT-5100 (FT 5100 FT5100) service manual and specs
    Yaesu FT-5200 (FT 5200 FT5200) service manual and specs
    Yaesu FT-6200 (FT 6200 FT6200) service manual and specs
    Yaesu FT-7100M (FT 7100 M FT7100M) service manual and specs
    Yaesu FT-7200 (FT 7200 FT7200) service manual and specs
    Yaesu FT-7400H (FT 7400 H FT7400H) service manual and specs
    Yaesu FT-7800 Older (FT 7800 Older FT7800Older) service manual and specs
    Yaesu FT-7800H (FT 7800 H FT7800H) service manual and specs
    Yaesu FT-7800R (FT 7800 R FT7800R) service manual and specs
    Yaesu FT-8000R (FT 8000 R FT8000R) service manual and specs
    Yaesu FT-8100R (FT 8100 R FT8100R) service manual and specs
    Yaesu FT-8500 (FT 8500 FT8500) service manual and specs
    Yaesu FT-8800R (FT 8800 R FT8800R) service manual and specs
    Vertex Standard VM-3500E (Vertex Standard VM3500E VertexStandardVM3500E) service manual and specs
    Vertex Standard VX-1700 (VX 1700 VX1700) service manual and specs
    Yaesu FTM-10R (FTM 10 R FTM10R) service manual and specs
    Yaesu FTM-400D (FTM 400 D FTM400D) service manual and specs
    Yaesu FTM-400DR (FTM 400 DR FTM400DR) service manual and specs
    Yaesu FT-1900R (FT 1900 R FT1900R) service manual and specs
    Yaesu FT-2900R (FT 2900 R FT2900R) service manual and specs
    Yaesu FT-7900R (FT 7900 R FT7900R) service manual and specs

Yaesu Base VHF/UHF:
    Yaesu FT-2AUTO (FT 2AUTO FT2AUTO) service manual and specs
    Yaesu FT-221R (FT 221R FT221R) service manual and specs
    Yaesu FT-225RD (FT 225RD FT225RD) service manual and specs
    Yaesu FT-620B (FT 620B FT620B) service manual and specs
    Yaesu FT-726R (FT 726R FT726R) service manual and specs
    Yaesu FT-736R (FT 736R FT736R) service manual and specs
    Yaesu FT-Sigmasizer 200R (FT Sigmasizer 200R FTSigmasizer200R) service manual and specs

Yaesu HF and More Transceivers:
    Yaesu FT-One (FT One FTOne) service manual and specs
    Yaesu FT-7 (FT 7 FT7) service manual and specs
    Yaesu FT-7B (FT 7B FT7B) service manual and specs
    Yaesu FT-50 (FT 50 FT50) service manual and specs
    Yaesu FT-75 (FT 75 FT75) service manual and specs
    Yaesu FT-77 (FT 77 FT77) service manual and specs
    Yaesu FT-100(older) (FT 100(older) FT100(older)) service manual and specs
    Yaesu FT-100 (FT 100 FT100) service manual and specs
    Yaesu FT-100D (FT 100 D FT100D) service manual and specs
    Yaesu FT-101 (FT 101 FT101) service manual and specs
    Yaesu FT-101B (FT 101B FT101B) service manual and specs
    Yaesu FT-101E (FT 101E FT101E) service manual and specs
    Yaesu FT-101EE (FT 101EE FT101EE) service manual and specs
    Yaesu FT-101ZD (FT 101ZD FT101ZD) service manual and specs
    Yaesu FT-102 (FT 102 FT102) service manual and specs
    Yaesu FT-107 (FT 107 FT107) service manual and specs
    Yaesu FT-200 (FT 200 FT200) service manual and specs
    Yaesu FT-201 (FT 201 FT201) service manual and specs
    Yaesu FT-201S (FT 201S FT201S) service manual and specs
    Yaesu FT-250 (FT 250 FT250) service manual and specs
    Yaesu FT-301 (FT 301 FT301) service manual and specs
    Yaesu FT-301D (FT 301D FT301D) service manual and specs
    Yaesu FT-301S (FT 301S FT301S) service manual and specs
    Yaesu FT-600 (FT 600 FT600) service manual and specs
    Yaesu FT-650 (FT 650 FT650) service manual and specs
    Yaesu FT-655 (FT 655 FT655) service manual and specs
    Yaesu FT-655S (FT 655S FT655S) service manual and specs
    Yaesu FT-707 (FT 707 FT707) service manual and specs
    Yaesu FT-747GX (FT 747GX FT747GX) service manual and specs
    Yaesu FT-747SX (FT 747SX FT747SX) service manual and specs
    Yaesu FT-757GX (FT 757GX FT757GX) service manual and specs
    Yaesu FT-757GX II (FT 757GX II FT757GXII) service manual and specs
    Yaesu FT-767GX (FT 767GX FT767GX) service manual and specs
    Yaesu FT-840 (FT 840 FT840) service manual and specs
    Yaesu FT-847 (FT 847 FT847) service manual and specs
    Yaesu FT-857 (FT 857 FT857) service manual and specs
    Yaesu FT-857D (FT 857 D FT857D) service manual and specs
    Yaesu FT-890 (FT 890 FT890) service manual and specs
    Yaesu FT-897 (FT 897 FT897) service manual and specs
    Yaesu FT-897D (FT 897 D FT897D) service manual and specs
    Yaesu FT-900 (FT 900 FT900) service manual and specs
    Yaesu FT-901DM (FT 901DM FT901DM) service manual and specs
    Yaesu FT-902DM (FT 902DM FT902DM) service manual and specs
    Yaesu FT-920AF (FT 920AF FT920AF) service manual and specs
    Yaesu FT-980 (FT 980 FT980) service manual and specs
    Yaesu FT-990 (FT 990 FT990) service manual and specs
    Yaesu FT-1000 (FT 1000 FT1000) service manual and specs
    Yaesu FT-1000D (FT 1000 D FT1000D) service manual and specs
    Yaesu FT-1000MP (FT 1000MP FT1000MP) service manual and specs
    Yaesu FT-1000MP Mark V (FT 1000 MP Mark V FT1000MPMarkV) service manual and specs
    Yaesu FT-1000MP Mark V Field (FT 1000 MP Field Mark V FT1000MPMarkVField) service manual and specs
    Yaesu FT-2000 (FT 2000 FT2000) service manual and specs
    Yaesu FT-2000D (FT 2000 D FT2000D) service manual and specs
    Yaesu FT-8900R (FT 8900 R FT8900R) service manual and specs
    Yaesu FT-DX400 (FT DX400 FTDX400) service manual and specs
    Yaesu FT-DX401 (FT DX401 FTDX401) service manual and specs
    Yaesu FT DX-9000 Contest (FT DX 9000 Contest FTDX9000Contest) service manual and specs
    Yaesu FT DX-9000D (FT DX 9000 D FTDX9000D) service manual and specs
    Yaesu FT DX-9000 MP (FT DX 9000 MP FTDX9000MP) service manual and specs
    Yaesu FT-950 (FT 950 FT950) service manual and specs
    Yaesu FT DX-1200 (FT DX 1200 FTDX1200) service manual and specs
    Yaesu FT DX-5000 (FT DX 5000 FTDX5000) service manual and specs
    Yaesu FT DX-5000D (FT DX 5000 D FTDX5000D) service manual and specs
    Yaesu FT DX-5000MP (FT DX 5000 MP FTDX5000MP) service manual and specs
    Yaesu FT-450 (FT 450 FT450) service manual and specs
    Yaesu FT-450D (FT 450 D FT450D) service manual and specs
    Yaesu FT DX-3000 (FT Dx 3000 FTDX3000) service manual and specs

CB Equipment


President
Midland
Uniden
Zodiac

 Power amplifiers


Beko
Icom
Alinco
Drake
Yaesu
Daiwa
Collins
Kenwood
DanAmps
Ameritron
Autophon
Eto/Alpha
Command Technologies
E.F.Johnson
Dentron Radio Co.

FRS/GMRS


Bell
GPX
ENC
Tekk
Icom
Sony
Alinco
Drake
Cobra
Maxon
Vertex
Conair
Uniden
Jenson
Ranger
Midland
Whistler
Magnum
Unwired
Coleman
Motorola
Audiovox
Memorex
Columbia
Samsung
Standard
Kenwood
Cherokee
Panasonic
Freetalker
Vtech Vtalk
RadioShack
Fanon Courier
Sharper Image
General Electric
Oregon Scientific

PMR446


Sommerkamp
FreeQuency
Goodmans
Kenwood
Lafayette
President
Binatone
Motorola
Multicom
Albrecht
Maycom
Topcom
Xtreme
Ondico
Telcom
Maxon
Vertex
Zodiac
Yaesu
Cobra
Alinco
Icom
Alan
ITT