Some corrections that may significantly improve the already very famous TS-940S receiving performance
Dedicated to the Detailists
Are you a TS-940S Rx lover? You should know that it can be even better if you do some corrections. Two errors that I found, both also showed in the Service Manual, Revised Edition.

See the FETs Q10 (RF PreampRF Preamp 2SK125, N-FET, 25V, 0.1A, 0.3W) and
Q4 Q5 (2nd balanced mixer, also 2SK125).
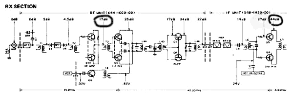
The picture above was scanned from the TS-940S Service Manual, Revised Edition.
In these pictures the FETs are in the wrong position.
I can assume that thousands of other TS-940S are also waiting to be corrected and perform Rx even better (mistakes "hidden" for almost 20 years!)
Check yourself with instruments, it can be probably more than 10 dB of gain and a better AGC performance.

See the Level Diagram in the Service Manual. With the FETs on the right position,
we would have 12.5 dB (17 - 4.5) gain in the RF Preamp,
and 17 dB (44 - 27) in the 2nd balanced mixer at the indicated points in the picture above.
It would be interesting to measure these gains before the correction.
With this measurement we would have an idea about the sensitivity losses due to the two errors.
I laught a lot when I confirmed both errors! Almost two decades waiting to be corrected!
As I never heard about this problem, I decided to reveal it to the whole world.
My radio was working apparently well. This is the 1st TS-940S that I could observe and analyse in detail its circuits. First I found the RF Preamp FET in a odd position, but only few days after I could focus and see that the cascode circuit was correct in the schematic diagram and wrong in the PC board. It was also wrong in the PC board view pictures in the Service Manual.
I also noticed that a FET was hotter than the other. It was as simple as desoldered and turn the FET 180° and resolder it all over again.
Some FETs can be used either way around without any noticeable change in behaviour. However, most FETs are built with a channel wider at one end that the other. So, although you can use a FET with the drain and source leads swapped around, most of them don't work very well if you try it. Therefore try to correct your TS-940S. Who knows that the 2SK125 can be swapped?

This picture shows the FET in the correct position.
The RF gain increased and the noise decreased. Very fine! But, in the middle of the night, excited with this amazing discovery, I kept on thinking if this error was the only one.
I got back to the Service Manual, and following the circuit diagram, checking the PC boards, I found a second mistake: in the 2nd balanced mixer, in the IF unit, another inverted FET (Q4), harming the mixing/conversion, the gain, and the AGC performance.

This picture shows the FET in the correct position.
By eliminating these "losses", my famous TS-940S "won" 10 dB more! Because of that, I had to made S-Meter adjustments.
I suggest you to revise the famous TS-940S receiving performance to be even better, of course!
Our next step will be identify different N-FET for replacement. The 2SK125 is discontinued since 1996. Probably by using modern FETs, the receiving performance will increase. Who knows?
I recommend voltage measurements before and after the correction.
The modifications were verified and tested by myself, so if you try this mod on your own equipment, it's on your own risk.
|