Icom IC-T7H (IC T7 H ICT7H) user and service manual, modifications

   
 
ham | what is new | links
 Welcome to Www.Hampedia.net  submit to reddit
09 January 2026, 9:55 UTC 


SDR


ELAD
SDRplay

Transceivers


Kenwood
Midland
Yaesu
Alinco
Icom
Other

Antennas


M2
Par
Gap
Sirio
Araki
Maco
Nil-Jon
Maldol
Comet
Hustler
Nagoya
Watson
Hy-Gain
Dressler
Cue Dee
Solarcon
Diamond
Cushcraft
Quicksilver
Moonraker

Power supplies


Powerbox
Kenwood
Diamond
Samlex
Mascot
Daiwa
Yaesu
Alinco
Icom
H&H

Rotators


M2
CDE
Yaesu
Create
Kenpro

Antenna tuners


MFJ
LDG
SGC
Icom
Yaesu
Mizuho
Dentron
Kenwood
Sommerkamp
Barker & Williamson

Repeaters


GME
Icom
Zodiac
Kenwood

Transverters


Microwave Modules
Tokyo Hy-Power
SSB Electronics
Tecnostudi
Kenwood
Yaesu
Minix

Meters


Diamond
Comet
Bird
MFJ

Ham resources


Propagation:
  Sporadic E skip (Es)
  Backscatter
  Tropo
  Meteor Scatter (MS)
  F2 Skip
  Aurora
  Trans-equatorial scatter (TE)
  Lightning scatter (LS)

Icom IC-T7H (IC T7 H ICT7H)
IC-T7H
Programming interface schematics for Icom:
Programming software for Icom IC-T7H (IC T7 H ICT7H) :
PDF User Manual for Icom IC-T7H (IC T7 H ICT7H) : Icom IC-T7H Instruction Manual
PDF Service Manual with schematics for Icom IC-T7H (IC T7 H ICT7H) :

Mods for Icom IC-T7H (IC T7 H ICT7H) :
    Icom IC-T7H (IC T7 H ICT7H) Transmitting AM
    Icom IC-T7H (IC T7 H ICT7H) Disassembly instructions
    Icom IC-T7H (IC T7 H ICT7H) Expand frequncy

Icom IC-T7H (IC T7 H ICT7H) technical specifications :  Icom IC-T7H (IC T7 H ICT7H) technical specifications



Icom IC-T7H (IC T7 H ICT7H) Disassembly instructions

Disassembling Panels

  1. Unscrew 4 screws, A from the rear panel and 2 screws, B from the rear plate to separaye fron and rear panels.

  2. Unscrfew 4 screws, C from the rear plate to remove it.

    Disassembling panels



Removing logic unit

  1. Unscrew 4 screws, D from the LOGIC Unit.

  2. Unsolder jumper wires from the speaker as shown below.

    Removing logic unit



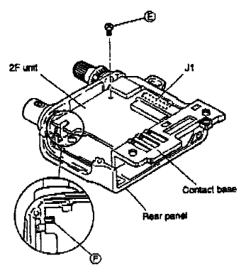
Removing 2F unit

  1. Unscrew 1 screws, E from the 2F Unit.

  2. Unsolder the point, F, then remove the 2F unit with the contact base.
    (Disconnect J1 on reverse side of the 2F unit to remove).

    Removing 2F unit



Removing 1F unit

  1. Pull the 2 knobs off and then unscrew the unit.

  2. Unscrew 3 screws, G and 2 screws. H from the 1F unit.

  3. Unsolder 2 points, J then remove the 1F unit.

    Removing 1F unit

More Icom Radioamateur Transceivers

Icom VHF/UHF Handhelds:
    Icom IC-Delta 1A (IC Delta 1A ICDelta1A) service manual and specs
    Icom IC-Delta 1E (IC Delta 1E ICDelta1E) service manual and specs
    Icom IC-E7 (IC E7 ICE7) service manual and specs
    Icom IC-E90 (IC E90 ICE90) service manual and specs
    Icom IC-P2E (IC P2 E ICP2E) service manual and specs
    Icom IC-P2ET (IC P2 ET ICP2ET) service manual and specs
    Icom IC-P4ET (IC P4 ET ICP4ET) service manual and specs
    Icom IC-P7A (IC P7 A ICP7A) service manual and specs
    Icom IC-Q7A (IC Q7 A ICQ7A) service manual and specs
    Icom IC-Q7E (IC Q7 E ICQ7E) service manual and specs
    Icom IC-R20 (IC R 20 ICR20) service manual and specs
    Icom IC-S7D (IC S7 D ICS7D) service manual and specs
    Icom IC-S21E (IC S21 E ICS21E) service manual and specs
    Icom IC-S22 (IC S22 ICS22) service manual and specs
    Icom IC-S32 (IC S32 ICS32) service manual and specs
    Icom IC-S41E (IC S41 E ICS41E) service manual and specs
    Icom IC-T2H (IC T2 H ICT2H) service manual and specs
    Icom IC-T3H (IC T3 H ICT3H) service manual and specs
    Icom IC-T7D (IC T7 D ICT7D) service manual and specs
    Icom IC-T7E (IC T7 E ICT7E) service manual and specs
    Icom IC-T7H (IC T7 H ICT7H) service manual and specs
    Icom IC-T8A (IC T8 A ICT8A) service manual and specs
    Icom IC-T8E (IC T8 E ICT8E) service manual and specs
    Icom IC-T22A (IC T22 A ICT22A) service manual and specs
    Icom IC-T22E (IC T22 E ICT22E) service manual and specs
    Icom IC-T32 (IC T 32 ICT32) service manual and specs
    Icom IC-T81E (IC T81 E ICT81E) service manual and specs
    Icom IC-T90 (IC T90 ICT90) service manual and specs
    Icom IC-U1 (IC U 1 ICU1) service manual and specs
    Icom IC-U82 (IC U 82 ICU82) service manual and specs
    Icom IC-V1 (IC V 1 ICV1) service manual and specs
    Icom IC-V8 (IC V 8 ICV8) service manual and specs
    Icom IC-V21AT (IC V21 AT ICV21AT) service manual and specs
    Icom IC-V82 (IC V 82 ICV82) service manual and specs
    Icom IC-W2A (IC W2 A ICW2A) service manual and specs
    Icom IC-W2E (IC W2 E ICW2E) service manual and specs
    Icom IC-W21AT (IC W21 AT ICW21AT) service manual and specs
    Icom IC-W21E (IC W21 E ICW21E) service manual and specs
    Icom IC-W21ET (IC W21 ET ICW21ET) service manual and specs
    Icom IC-W31A (IC W31 A ICW31A) service manual and specs
    Icom IC-W31E (IC W31 E ICW31E) service manual and specs
    Icom IC-W32A (IC W32 A ICW32A) service manual and specs
    Icom IC-W32E (IC W32 E ICW32E) service manual and specs
    Icom IC-X21T (IC X21 T ICX21T) service manual and specs
    Icom IC-X2E (IC X2 E ICX2E) service manual and specs
    Icom IC-Z1A (IC Z1 A ICZ1A) service manual and specs
    Icom IC-Z1E (IC Z1 E ICZ1E) service manual and specs
    Icom IC-02E (IC 02 E IC02E) service manual and specs
    Icom IC-03AT (IC 03 AT IC03AT) service manual and specs
    Icom IC-04AT (IC 04 AT IC04AT) service manual and specs
    Icom IC-04E (IC 04 E IC04E) service manual and specs
    Icom IC-2AT (IC 2 AT IC2AT) service manual and specs
    Icom IC-2E (IC 2 E IC2E) service manual and specs
    Icom IC-2GAT (IC 2 GAT IC2GAT) service manual and specs
    Icom IC-2GXA (IC 2 GXA IC2GXA) service manual and specs
    Icom IC-2GXAT (IC 2 GXAT IC2GXAT) service manual and specs
    Icom IC-2GXE (IC 2 GXE IC2GXE) service manual and specs
    Icom IC-2GXET (IC 2 GXET IC2GXET) service manual and specs
    Icom IC-2iE (IC 2 iE IC2iE) service manual and specs
    Icom IC-2N (IC 2 N IC2N) service manual and specs
    Icom IC-2SAT (IC 2 SAT IC2SAT) service manual and specs
    Icom IC-2SE (IC 2 SE IC2SE) service manual and specs
    Icom IC-2SET (IC 2 SET IC2SET) service manual and specs
    Icom IC-2SRE (IC 2 SRE IC2SRE) service manual and specs
    Icom IC-3AT (IC 3 AT IC3AT) service manual and specs
    Icom IC-3J (IC 3 J IC3J) service manual and specs
    Icom IC-3N (IC 3 N IC3N) service manual and specs
    Icom IC-3SAT (IC 3 SAT IC3SAT) service manual and specs
    Icom IC-4E (IC 4 E IC4E) service manual and specs
    Icom IC-4GE (IC 4 GE IC4GE) service manual and specs
    Icom IC-4GXE (IC 4 GXE IC4GXE) service manual and specs
    Icom IC-4GXET (IC 4 GXET IC4GXET) service manual and specs
    Icom IC-4IE (IC 4 IE IC4IE) service manual and specs
    Icom IC-4SE (IC 4 SE IC4SE) service manual and specs
    Icom IC-4SET (IC 4 SET IC4SET) service manual and specs
    Icom IC-12AT (IC 12 AT IC12AT) service manual and specs
    Icom IC-12E (IC 12 E IC12E) service manual and specs
    Icom IC-12GAT (IC 12 GAT IC12GAT) service manual and specs
    Icom IC-24AT (IC 24 AT IC24AT) service manual and specs
    Icom IC-32E (IC 32 E IC32E) service manual and specs
    Icom IC-202 (IC 202 IC202) service manual and specs
    Icom IC-202S (IC 202 S IC202S) service manual and specs
    Icom IC-215E (IC 215 E IC215E) service manual and specs
    Icom IC-402 (IC 402 IC402) service manual and specs
    Icom IC-502 (IC 502 IC502) service manual and specs
    Icom IC-505 (IC 505 IC505) service manual and specs
    Icom ID-91 (ID 91 ID91) service manual and specs
    Icom IC-E91 (IC E 91 ICE91) service manual and specs
    Icom IC-V85 (IC V 85 ICV85) service manual and specs
    Icom IC-92AD (IC 92 AD IC92AD) service manual and specs
    Icom ID-51A (ID 51 A ID51A) service manual and specs
    Icom ID-51E (ID 51 E ID51E) service manual and specs
    Icom IC-80AD (IC 80 AD IC80AD) service manual and specs
    Icom IC-T70A (IC T 70A ICT70A) service manual and specs
    Icom IC-T70E (IC T 70E ICT70E) service manual and specs
    Icom IC-V80 (IC V 80 ICV80) service manual and specs
    Icom ID-31A (ID 31 A ID31A) service manual and specs
    Icom ID-31E (ID 31 E ID31E) service manual and specs

Icom VHF/UHF Mobile Transceivers:
    Icom FDAM-1 (FDAM 1 FDAM1) service manual and specs
    Icom FDAM-3 (FDAM 3 FDAM3) service manual and specs
    Icom IC-Delta 100 (IC Delta 100 ICDelta100) service manual and specs
    Icom IC-Delta 100H (IC Delta 100H ICDelta100H) service manual and specs
    Icom IC E-208 (IC E 208 ICE208) service manual and specs
    Icom IC-V8000 (IC V 8000 ICV8000) service manual and specs
    Icom IC-20 (IC 20 IC20) service manual and specs
    Icom IC-22 (IC 22 IC22) service manual and specs
    Icom IC-22A (IC 22 A IC22A) service manual and specs
    Icom IC-24E (IC 24 E IC24E) service manual and specs
    Icom IC-25A (IC 25 A IC25A) service manual and specs
    Icom IC-25E (IC 25 E IC25E) service manual and specs
    Icom IC-25H (IC 25 H IC25H) service manual and specs
    Icom IC-27A (IC 27 A IC27A) service manual and specs
    Icom IC-27E (IC 27 E IC27E) service manual and specs
    Icom IC-27H (IC 27 H IC27H) service manual and specs
    Icom IC-28A (IC 28 A IC28A) service manual and specs
    Icom IC-28E (IC 28 E IC28E) service manual and specs
    Icom IC-28H (IC 28 H IC28H) service manual and specs
    Icom IC-30A (IC 30 A IC30A) service manual and specs
    Icom IC-37A (IC 37 A IC37A) service manual and specs
    Icom IC-38A (IC 38 A IC38A) service manual and specs
    Icom IC-45E (IC 45 E IC45E) service manual and specs
    Icom IC-47E (IC 47 E IC47E) service manual and specs
    Icom IC-48E (IC 48 E IC48E) service manual and specs
    Icom IC-120 (IC 120 IC120) service manual and specs
    Icom IC-207H (IC 207 H IC207H) service manual and specs
    Icom IC-208D (IC 208 D IC208D) service manual and specs
    Icom IC-208H (IC 208 H IC208H) service manual and specs
    Icom IC-225 (IC 225 IC225) service manual and specs
    Icom IC-228A (IC 228 A IC228A) service manual and specs
    Icom IC-228E (IC 228 E IC228E) service manual and specs
    Icom IC-228H (IC 228 H IC228H) service manual and specs
    Icom IC-229A (IC 229 A IC229A) service manual and specs
    Icom IC-229E (IC 229 E IC229E) service manual and specs
    Icom IC-229H (IC 229 H IC229H) service manual and specs
    Icom IC-232 (IC 232 IC232) service manual and specs
    Icom IC-240 (IC 240 IC240) service manual and specs
    Icom IC-245E (IC 245 E IC245E) service manual and specs
    Icom IC-255A (IC 255 A IC255A) service manual and specs
    Icom IC-255E (IC 255 E IC255E) service manual and specs
    Icom IC-260A (IC 260 A IC260A) service manual and specs
    Icom IC-260E (IC 260 E IC260E) service manual and specs
    Icom IC-280E (IC 280 E IC280E) service manual and specs
    Icom IC-281H (IC 281 H IC281H) service manual and specs
    Icom IC-290D (IC 290 D IC290D) service manual and specs
    Icom IC-290E (IC 290 E IC290E) service manual and specs
    Icom IC-290H (IC 290 H IC290H) service manual and specs
    Icom IC-390 (IC 390 IC390) service manual and specs
    Icom IC-448E (IC 448 E IC448E) service manual and specs
    Icom IC-449E (IC 449 E IC449E) service manual and specs
    Icom IC-481H (IC 481 H IC481H) service manual and specs
    Icom IC-490A (IC 490 A IC490A) service manual and specs
    Icom IC-490E (IC 490 E IC490E) service manual and specs
    Icom IC-560 (IC 560 IC560) service manual and specs
    Icom IC-681 (IC 681 IC681) service manual and specs
    Icom IC-900A (IC 900 A IC900A) service manual and specs
    Icom IC-900E (IC 900 E IC900E) service manual and specs
    Icom IC-901A (IC 901 A IC901A) service manual and specs
    Icom IC-901E (IC 901 E IC901E) service manual and specs
    Icom IC-1200 (IC 1200 IC1200) service manual and specs
    Icom IC-1201 (IC 1201 IC1201) service manual and specs
    Icom IC-2000H (IC 2000 H IC2000H) service manual and specs
    Icom IC-2100H (IC 2100 H IC2100H) service manual and specs
    Icom IC-2200H (IC 2200 H IC2200H) service manual and specs
    Icom IC-2330A (IC 2330 A IC2330A) service manual and specs
    Icom IC-2340H (IC 2340 H IC2340H) service manual and specs
    Icom IC-2350H (IC 2350 H IC2350H) service manual and specs
    Icom IC-2400A (IC 2400 A IC2400A) service manual and specs
    Icom IC-2410E (IC 2410 E IC2410E) service manual and specs
    Icom IC-2410H (IC 2410 H IC2410H) service manual and specs
    Icom IC-2500A (IC 2500 A IC2500A) service manual and specs
    Icom IC-2500E (IC 2500 E IC2500E) service manual and specs
    Icom IC-2700H (IC 2700 H IC2700H) service manual and specs
    Icom IC-2710H (IC 2710 H IC2710H) service manual and specs
    Icom IC-2720H (IC 2720 H IC2720H) service manual and specs
    Icom IC-2725E (IC 2725 E IC2725E) service manual and specs
    Icom IC-2800H (IC 2800 H IC2800H) service manual and specs
    Icom IC-3200E (IC 3200 E IC3200E) service manual and specs
    Icom IC-3210A (IC 3210 A IC3210A) service manual and specs
    Icom IC-3210E (IC 3210 E IC3210E) service manual and specs
    Icom IC-3220E (IC 3220 E IC3220E) service manual and specs
    Icom IC-3220H (IC 3220 H IC3220H) service manual and specs
    Icom IC-3230H (IC 3230 H IC3230H) service manual and specs
    Icom IC-3700 (IC 3700 IC3700) service manual and specs
    Icom IC-F7000 (IC F 7000 ICF7000) service manual and specs
    Icom ID-1 (ID 1 ID1) service manual and specs
    Icom ID-800D (ID 800 D ID800D) service manual and specs
    Icom ID-800H (ID 800 H ID800H) service manual and specs
    Icom IC-2820H (IC 2820 H IC2820H) service manual and specs
    Icom IC-E2820 (IC E 2820 ICE2820) service manual and specs
    Icom IC-2300H (IC 2300 H IC2300H) service manual and specs
    Icom ID-880H (ID 880 H ID880H) service manual and specs

Icom Base VHF/UHF:
    Icom IC-21A (IC 21 A IC21A) service manual and specs
    Icom IC-31 (IC 31 IC31) service manual and specs
    Icom IC-71 (IC 71 IC71) service manual and specs
    Icom IC-201 (IC 201 IC201) service manual and specs
    Icom IC-210 (IC 210 IC210) service manual and specs
    Icom IC-211 (IC 211 IC211) service manual and specs
    Icom IC-211E (IC 211 E IC211E) service manual and specs
    Icom IC-221 (IC 221 IC221) service manual and specs
    Icom IC-251E (IC 251 E IC251E) service manual and specs
    Icom IC-271A (IC 271 A IC271A) service manual and specs
    Icom IC-271E (IC 271 E IC271E) service manual and specs
    Icom IC-271H (IC 271 H IC271H) service manual and specs
    Icom IC-275E (IC 275 E IC275E) service manual and specs
    Icom IC-275H (IC 275 H IC275H) service manual and specs
    Icom IC-375D (IC 375 D IC375D) service manual and specs
    Icom IC-451E (IC 451 E IC451E) service manual and specs
    Icom IC-471E (IC 471 E IC471E) service manual and specs
    Icom IC-471H (IC 471 H IC471H) service manual and specs
    Icom IC-475E (IC 475 E IC475E) service manual and specs
    Icom IC-475H (IC 475 H IC475H) service manual and specs
    Icom IC-501 (IC 501 IC501) service manual and specs
    Icom IC-551 (IC 551 IC551) service manual and specs
    Icom IC-551D (IC 551 D IC551D) service manual and specs
    Icom IC-575 (IC 575 IC575) service manual and specs
    Icom IC-820H (IC 820 H IC820H) service manual and specs
    Icom IC-821H (IC 821 H IC821H) service manual and specs
    Icom IC-910D (IC 910 D IC910D) service manual and specs
    Icom IC-910H (IC 910 H IC910H) service manual and specs
    Icom IC-970E (IC 970 E IC970E) service manual and specs
    Icom IC-970H (IC 970 H IC970H) service manual and specs
    Icom IC-1271 (IC 1271 IC1271) service manual and specs

Icom HF and More Transceivers:
    Icom IC-701 (IC 701 IC701) service manual and specs
    Icom IC-703 (IC 703 IC703) service manual and specs
    Icom IC 706 (Icom IC-706 IC706) service manual and specs
    Icom IC-706 MKII (IC 706 MKII IC706MKII) service manual and specs
    Icom IC 706 MKIIG (IC-706 MKIIG IC706MKIIG) service manual and specs
    Icom IC-707 (IC 707 IC707) service manual and specs
    Icom IC-710 (IC 710 IC710) service manual and specs
    Icom IC-718 (IC 718 IC718) service manual and specs
    Icom IC-720 (IC 720 IC720) service manual and specs
    Icom IC-720A (IC 720 A IC720A) service manual and specs
    Icom IC-725 (IC 725 IC725) service manual and specs
    Icom IC-726 (IC 726 IC726) service manual and specs
    Icom IC-728 (IC 728 IC728) service manual and specs
    Icom IC-729 (IC 729 IC729) service manual and specs
    Icom IC-730 (IC 730 IC730) service manual and specs
    Icom IC-735 (IC 735 IC735) service manual and specs
    Icom IC-736 (IC 736 IC736) service manual and specs
    Icom IC-737 (IC 737 IC737) service manual and specs
    Icom IC-737A (IC 737 A IC737A) service manual and specs
    Icom IC-738 (IC 738 IC738) service manual and specs
    Icom IC-740 (IC 740 IC740) service manual and specs
    Icom IC-741 (IC 741 IC741) service manual and specs
    Icom IC-745 (IC 745 IC745) service manual and specs
    Icom IC-746 (IC 746 IC746) service manual and specs
    Icom IC-746 PRO (IC 746 PRO IC746PRO) service manual and specs
    Icom IC-750 (IC 750 IC750) service manual and specs
    Icom IC-751 (IC 751 IC751) service manual and specs
    Icom IC-751A (IC 751 A IC751A) service manual and specs
    Icom IC-756 (IC 756 IC756) service manual and specs
    Icom IC-756 PRO (IC 756 PRO IC756PRO) service manual and specs
    Icom IC-756 PRO II (IC 756 PRO II IC756PROII) service manual and specs
    Icom IC-756PROIII (IC 756 PRO III IC756PROIII) service manual and specs
    Icom IC-760 (IC 760 IC760) service manual and specs
    Icom IC-761 (IC 761 IC761) service manual and specs
    Icom IC-765 (IC 765 IC765) service manual and specs
    Icom IC-775 (IC 775 IC775) service manual and specs
    Icom IC-775DSP (IC 775 DSP IC775DSP) service manual and specs
    Icom IC-780 (IC 780 IC780) service manual and specs
    Icom IC-781 (IC 781 IC781) service manual and specs
    Icom IC-7000 (IC 7000 IC7000) service manual and specs
    Icom IC-7400 (IC 7400 IC7400) service manual and specs
    Icom IC-7800 (IC 7800 IC7800) service manual and specs
    Icom X3 (X 3) service manual and specs
    Icom IC-7700 (IC 7700 IC7700) service manual and specs
    Icom IC-7100 (IC 7100 IC7100) service manual and specs
    Icom IC-7200 (IC 7200 IC7200) service manual and specs
    Icom IC-7410 (IC 7410 IC7410) service manual and specs
    Icom IC-7600 (IC 7600 IC7600) service manual and specs
    Icom IC-9100 (IC 9100 IC9100) service manual and specs
    Icom IC-78 (IC 78 IC78) service manual and specs

Icom receiver/scanner:
    Icom IC-R1500 (IC R 1500 ICR1500) service manual and specs
    Icom IC-PCR1500 (IC PCR 1500 ICPCR1500) service manual and specs
    Icom IC-R2500 (IC R 2500 ICR2500) service manual and specs
    Icom IC-PCR2500 (IC PCR 2500 ICPCR2500) service manual and specs
    Icom IC-R9500 (IC R 9500 ICR9500) service manual and specs

CB Equipment


President
Midland
Uniden
Zodiac

 Power amplifiers


Beko
Icom
Alinco
Drake
Yaesu
Daiwa
Collins
Kenwood
DanAmps
Ameritron
Autophon
Eto/Alpha
Command Technologies
E.F.Johnson
Dentron Radio Co.

FRS/GMRS


Bell
GPX
ENC
Tekk
Icom
Sony
Alinco
Drake
Cobra
Maxon
Vertex
Conair
Uniden
Jenson
Ranger
Midland
Whistler
Magnum
Unwired
Coleman
Motorola
Audiovox
Memorex
Columbia
Samsung
Standard
Kenwood
Cherokee
Panasonic
Freetalker
Vtech Vtalk
RadioShack
Fanon Courier
Sharper Image
General Electric
Oregon Scientific

PMR446


Sommerkamp
FreeQuency
Goodmans
Kenwood
Lafayette
President
Binatone
Motorola
Multicom
Albrecht
Maycom
Topcom
Xtreme
Ondico
Telcom
Maxon
Vertex
Zodiac
Yaesu
Cobra
Alinco
Icom
Alan
ITT